-
-
-
Tổng tiền thanh toán:
-
Danh mục sản phẩm
- Thiết bị vệ sinh
- Thiết bị nước và năng lượng
- Vật Liệu Ốp Lát
- Thiết bị nhà bếp
- KEO DÁN GẠCH VÀ KEO CHÀ RON
- Ngói Lợp
- Ống Nhựa Và Phụ Kiện
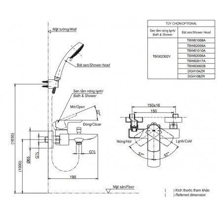
Thông tin vòi sen tắm TOTO
TBG02302V/TBW02006A Nóng Lạnh
Tính năng vòi hoa sen TOTO TBG02302V/TBW02006A
Bản vẽ vòi sen TOTO TBG02302V+TBW02006A

Bạn chưa xem sản phẩm nào