-
-
-
Tổng tiền thanh toán:
-
Kinh nghiệm chọn kích thước bồn cầu cực chuẩn
Đăng bởi Mr.San vào lúc 02/04/2021
Nên chọn kích thước bồn cầu như thế nào thì phù hơp cho gia đình? Làm sao để chọn mẫu bồn cầu đúng nhu cầu sử dụng? Những thông tin cực kỳ quan trọng này sẽ được chuyên gia kiến trúc của Đại Hoàng Dương chia sẻ chi tiết với các bạn ngay trong bài viết này.
Kinh nghiệm chọn kích thước bồn cầu cho gia đình
Thị trường thiết bị vệ sinh phát triển mạnh đã thúc đẩy sự ra đời của rất nhiều các mẫu bồn cầu với nhiều kích thước và hình dáng khác nhau. Sản phẩm phong phú vô hình chung cũng khiến người dùng “gặp khó” trong việc lựa chọn. Theo các chuyên gia kiến trúc, để mua được chiếc bồn cầu đúng ý cả gia đình, các bạn có thể dựa trên một số kinh nghiệm sau:
Chọn kích thước bồn cầu dựa trên không gian/diện tích phòng tắm
Diện tích phòng tắm và không gian trong phòng tắm luôn là tiêu chí đầu tiên, quan trọng nhất để lựa chọn kích thước bồn cầu. Trong trường hợp gia đình bạn có không gian phòng tắm rộng rãi, bạn có thể thoải mái lựa chọn bất kỳ chiếc bồn cầu nào. Với tình huống này, dù bồn cầu lớn hay nhỏ cũng không ảnh hưởng đến tổng thể thiết kế phòng tắm.

Nếu phòng tắm rộng thì bồn cầu dù lớn hay nhỏ cũng sẽ không gây chật chội, lộn xộn, phá vỡ kết cấu không gian
Nhưng nếu diện tích nhỏ, bạn nên ưu tiên lựa chọn những chiếc bồn cầu nhỏ, thiết kế gọn gàng để tiết kiệm diện tích. Hoặc trong trường hợp vị trí lựa chọn để đặt bồn cầu có không gian nhỏ như các ngách, góc tường, gầm cầu thang… thì bạn cũng nên ưu tiên lựa chọn các mẫu bồn cầu nhỏ gọn.
Điển hình như các bồn cầu nhỏ gọn sau:
Bồn cầu 2 khối Inax C-117VA (Bàn cầu Inax C117) - Kích thước (DxRxC) (mm): 688x370x770
Bồn cầu 2 khối American Standard VF-2398 - Kích thước (DxRxC) (mm): 717x359x758
Bồn cầu Inax 1 khối AC-969 - Kích thước (DxRxC) (mm): 727x394x663
Bồn cầu âm tường INAX C-23PVN - Kích thước (DxRxC) (mm): 600x320x360
Dựa trên mục đích sử dụng
Mục đích sử dụng cũng là tiêu chí quan trọng giúp bạn đưa ra quyết định nên lựa chọn chiếc bồn cầu nào cho từng phòng tắm.
Chẳng hạn, với các phòng ngủ chính, có mật độ sử dụng cao, bạn nên bố trí những chiếc bồn cầu lớn để đảm bảo thoải mái, sạch sẽ và đáp ứng tối đa nhu cầu của mọi thành viên trong gia đình.
Ngược lại, những phòng tắm dự phòng, phòng tắm nhỏ, khu WC dành cho khách ghé thăm thì bạn hoàn toàn có thể lựa chọn kích thước bồn cầu nhỏ để tiết kiệm chi phí.

Những chiếc bồn cầu bệt liền khối cực kỳ thích hợp với phòng WC dành cho khách
Dựa trên chi phí
Không phải gia đình nào cũng dư dả kinh phí để lựa chọn những chiếc bồn cầu hiện đại, đắt đỏ Vì vậy, tùy thuộc vào mức kinh phí dự kiến, gia chủ có thể lựa chọn các mẫu bồn cầu trong tầm giá, lắp đặt và sử dụng.
Nếu kinh phí dư dả, bạn hoàn toàn có thể lựa chọn bồn cầu nhập ngoại từ các thương hiệu thiết bị vệ sinh lớn trên thế giới. Các dòng sản phẩm như bàn cầu Inax, Toto, Caesar luôn đi đầu về doanh số hiện nay. Không chỉ đảm bảo về thiết kế và chất lượng, những chiếc bồn cầu thông minh còn có nhiều tính năng hiện đại như: massage, làm ấm, tự động vệ sinh… Những công năng hiện đại này hoàn toàn có thể giúp các thành viên trong gia đình có những trải nghiệm thoải mái, dễ chịu trong quá trình sử dụng.

Bồn cầu thông minh với cực nhiều tính năng hiện đại
Nếu không muốn lựa chọn bồn cầu nhập ngoại, trong nước cũng có nhiều thương hiệu uy tín, chất lượng, bảo đảm nguồn gốc và hiệu năng để bạn lựa chọn. Trong đó phải kể đến các dòng bồn cầu như Viglacera, Thiên Thanh... Để dễ dàng tìm được chiếc bồn cầu phù hợp, bạn hoàn toàn có thể gửi kích thước phòng tắm và các yêu cầu mong muốn về Đại Hoàng Dương để được các chuyên gia kiến trúc hỗ trợ tư vấn, lựa chọn.
Tham khảo kích thước bồn cầu tiêu chuẩn phổ biến nhất hiện nay:
- Kích thước bồn cầu 1 khối 760x380x655 (Dài x Rộng x Cao)(mm)

Thông số kỹ thuật kích thước bồn vệ sinh 1 khối
- Kích thước bồn cầu 2 khối 756 x 390 x 727 (Dài x Rộng x Cao)(mm)

Thông số kỹ thuật kích thước bàn cầu 2 khối
- Kích thước bồn cầu trẻ em: 500x285x530 (Dài x Rộng x Cao)(mm)

Kích thước xí bệt trẻ em
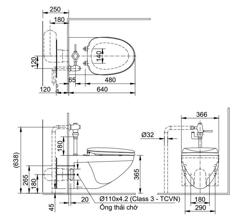
- Kích thước bồn cầu treo tường : 640 x 366 x 638 (Dài x Rộng x Cao)(mm)

Thông số kỹ thuật kích thước bệ xí treo tường
- Kích thước bồn cầu xổm:

Thông số kỹ thuật của bồn cầu xổm
Cần lưu ý gì khi lắp đặt bồn cầu?
Ngoài việc chọn được kích thước bồn cầu chuẩn, hòa hợp với không gian, cân đối về hình khối, trong quá trình lắp đặt, các bạn cũng cần chú ý một vài tiêu chuẩn về kích thước chung trong không gian phòng tắm như sau:
Hai bên hông của bồn cầu phải có khoảng trống ít nhất 0.25m
Đây là kích thước cần thiết để giúp người ngồi luôn có cảm giác thoải mái, có thể duỗi chân và thay đổi tư thế ngồi. Khoảng cách này sẽ đảm bảo khi ngồi, 2 bên đầu gối không bị xát tường, không bị chật hẹp.
Khoảng cách từ bồn cầu đến cửa WC phải đạt ít nhất 1.2m
Khoảng cách 1.2 là cần thiết để đảm bảo sự riêng tư cho không gian vệ sinh. Đồng thời, với khoảng cách này, bạn cũng có đủ không gian để bố trí thêm các trang thiết bị vệ sinh quan trọng khác như chậu rửa, vòi rửa…

Phòng tắm đẹp, hài hòa
Đảm bảo các tiêu chuẩn về kích thước sẽ giúp khu WC – phòng tắm không chỉ đẹp về thẩm mỹ mà còn mang tới những trải nghiệm tốt đẹp khi sử dụng
Chiều cao bồn cầu chỉ nên đạt khoảng 0.6m
Ở một số gia đình, chủ nhà chọn phương án để bồn cầu cao, đặt ống nước thải dài để đảm bảo vệ sinh và giảm tình trạng tắc nghẽn. Tuy nhiên, theo các chuyên gia, chiều cao của bồn cầu không nên vượt quá 0.6m. Đây là kích thước phù hợp nhất với chiều cao trung bình của người Việt Nam. Nếu đặt bồn cầu quá tầm với sẽ không tốt về phong thủy và cũng không thỏa mái cho các thành viên có chiều cao vừa phải trong gia đình, nhất là phụ nữ.
Với những kinh nghiệm chọn kích thước bồn cầu trên đây, Đại Hoàng Dương mong rằng những thông tin mà chúng tôi cung cấp có thể giúp khách hàng quy hoạch phòng tắm khoa học, đẹp mắt, tối ưu hóa tiện ích.
>>>>>Xem thêm Cách chỉnh lệch tâm bồn cầu hiệu quả
Để được tư vấn lựa chọn các sản phẩm bồn cầu nhập ngoại 100% hoặc các sản phẩm chính hãng từ các thương hiệu trong nước, quý khách hàng có thể liên hệ showroom Đại Hoàng Dương qua:
Đại lý thiết bị vệ sinh chính hãng ĐẠI HOÀNG DƯƠNG
- Địa chỉ: 464A Quốc lộ 13, KP. Nguyễn Trãi, P. Lái Thiêu, TP. Thuận An, T. Bình Dương
- Email: sangach.vn@gmail.com
- Hotline: 0888.709.099
- Website chính thức: sangach.vn