-
-
-
Tổng tiền thanh toán:
-
Danh mục sản phẩm
- Thiết bị vệ sinh
- Thiết bị nước và năng lượng
- Vật Liệu Ốp Lát
- Thiết bị nhà bếp
- KEO DÁN GẠCH VÀ KEO CHÀ RON
- Ngói Lợp
- Ống Nhựa Và Phụ Kiện
Vòi Bếp TOTO TKGG30EC Nóng Lạnh Gắn tường:
Tính năng của Vòi Bếp TOTO TKGG30EC Nóng Lạnh Gắn tường:
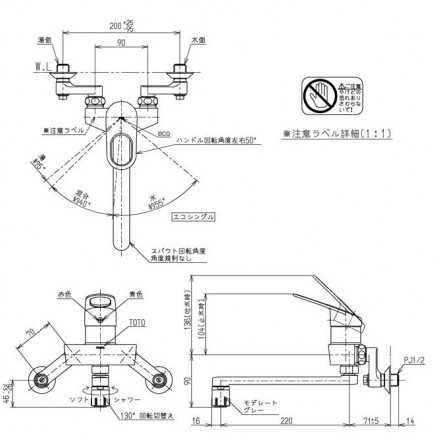
Bản vẽ kỹ thuật Vòi Bếp TOTO TKGG30EC Nóng Lạnh Gắn tường:

Bạn chưa xem sản phẩm nào