Thông tin cơ bản nắp rửa điện tử TOTO TCF4731A
- Thương hiệu: Thiết bị vệ sinh TOTO
- Nắp rửa điện tử Washlet (220V) TCF4731A
- Thiết kế cho bồn cầu: Thân dài
- Áp lực nước: 0.05MPa ~ 0.75MPa
- Nguồn điện: 220V/50/60Hz 410W
- Vật liệu : Nhựa
- Màu sắc : Màu trắng
- Xuất xứ : Malaysia
Tính năng nắp rửa điện tử Washlet TCF4731A TOTO
- Nắp tự động đóng/mở khi cần sử dụng
- Có chức năng sưởi ấm nắp ngồi
- Tự động phun Ewater sương làm sạch lòng bồn cầu và vòi rửa bằng cách ngăn vi khuẩn đảm bảo vệ sinh
- 02 chế độ rửa trước, rửa sau massage linh hoạt, điều chỉnh vị trí vòi rửa
- Điều chỉnh nhiệt độ sấy, nước và bệ ngồi.
- Tính năng khử mùi được kích hoạt tự động
- Có bảng điều khiển từ xa (không dây) với 2 chế độ người dùng
Nắp bồn cầu thông minh TOTO W4 tương thích
- Các dòng bồn cầu 1 khối TOTO: MS864, MS884, MS905, MS914, MS688, MS904
- Các dòng bồn cầu 2 khối TOTO: CS300, CS320, CS325, CS818, CS819, CS945
- Các dòng bồn cầu 1 khối INAX: AC-900, AC-909, AC-939, AC-959, AC-2700, AC-1017, AC-1008, AC-1035, AC-1135
Nắp Washlet TOTO W4 tốt cho sức khỏe

Bảng điều khiển nắp bồn cầu TOTO TCF4731A

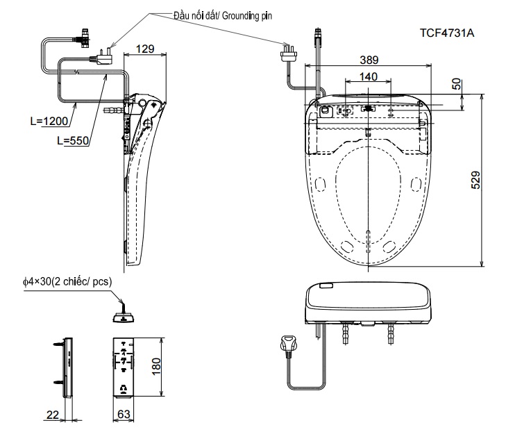
Bản vẽ kỹ thuật nắp rửa thông minh TOTO TCF4731A
